Description

Vanne Inox 3 voies en L

4 possibilités d’ouverture/fermeture :

  • Vanne en L : Il est possible de choisir le type d’ouverture en déplaçant la vis de blocage sur une des 4 positions.
    • Manœuvre de la vanne à 90° avec vis – Rotation de la poignée à 180° ou 360° possible, sans vis

Caractéristiques :

  • Dimensions : DN 1/4″ à 2″ (DN10 à DN50)
  • Raccordement : Taraudé Femelle BSP ou NPT
  • Température Mini : – 25°C
  • Température Maxi : + 180°C
  • Pression Maxi : 40 Bars

Matière : INOX EN 1.4408 (Voir tableau matériaux complet dans technique)

 


Technique

CARACTERISTIQUES :

  • Passage réduit
  • Axe inéjectable
  • Sièges PTFE chargés 15% verre
  • Double système antistatique (bille entre axe-corps et axe-sphère)
  • Poignée cadenassable
  • Motorisable ( Platine ISO 5211 )
  • Etanche sur les 3 voies
  • Lumière en en L

UTILISATION :

  • Produits chimiques, industries pétro-chimiques, installations hydrauliques, de chauffage, distribution air, eau
  • Températures mini et maxi admissibles Ts : -25°C à + 180°C
  • Pression maxi admissible Ps : 40 bars ( voir courbe )

SEULEMENT 2 POSITIONS CONSECUTIVES SONT POSSIBLES (en changeant l’emplacement de la vis) :

  • Position L1 ou L2 (voir schéma ci dessous) :
    • L1 : passage du fluide entre n°1 et 2, n°3 : fermé
    • L2 : passage du fluide entre n°3 et 2, n°1 : fermé
  • Position L2 ou L3 (voir schéma ci dessous) :
    • L2 : passage du fluide entre n°3 et 2, n°1 : fermé
    • L3 : passage du fluide dans n°3 uniquement, n°1 et 2 fermés
  • Position L3 ou L4 (voir schéma ci dessous) :
    • L3 : passage du fluide dans n°3 uniquement, n°1 et 2 fermés
    • L4 : passage du fluide dans n°1 uniquement, n°2 et 3 fermés
  • Position L4 ou L5 (voir schéma ci dessous) :
    • L4 : passage du fluide dans n°1 uniquement, n°2 et 3 fermés
    • L5 : passage du fluide entre n°1 et 2, n°3 : fermé

Photos



Retour sur Raccord INOX WP Retour sur le site Raccord INOX WP

ET COMMANDE DE VANNES INOX
Devis et Commande : 1°/ sélectionner les produits qui vous intéressent,
2°/ saisir vos coordonnées en bas de page et cliquer sur "Commander" ou "Demander un devis"
MINIMUM DE COMMANDE 115 € HT

VANNES INOX

Vanne 1/4 de tour - Inox 316 - Femelle/Femelle - 180°C - gamme ECO

Utilisation : Produits chimiques, industries pétrochimiques, installations hydrauliques, de chauffage, distribution air, eau.
Vanne à sphère- 2 pièces - Raccordement femelle/femelle - Filetage ISO 7-1
Passage intégral - PN64 - Inox AISI 316 (CF8M)
Corps, axe et sphère : inox 316 - Poignée + écrou : inox 304
- Sièges : PTFE - Presse-étoupe : PTFE
Température -10°C + 180°C
Poignée cadenassable

Vanne 1/4 de tour - Inox 316 - Femelle/Femelle - 180°C - gamme ECO
Réf. Désignation Diamètre E/S Quantite Prix H.T. Dispo
29520 Vanne 1/4 de tour- Corps INOX 316L - Femelle/Femelle - 1/4"
- 2 pièces -20 ° C à 180 °C - Corps INOX 316L - Siège PTFE - Passage Intégral - PN = 64
1/4" F/F 27 € En stock
28801 Vanne 1/4 de tour- Corps INOX 316L - Femelle/Femelle - 3/8"
- 2 pièces -20 ° C à 180 °C - Corps INOX 316L - Siège PTFE - Passage Intégral - PN = 64
3/8" F/F 37 € En stock
28799 Vanne 1/4 de tour- Corps INOX 316L - Femelle/Femelle - 3/4"
- 2 pièces -20 ° C à 180 °C - Corps INOX 316L - Siège PTFE - Passage Intégral - PN = 64
3/4" F/F 46 € En stock
29521 Vanne 1/4 de tour- Corps INOX 316L - Femelle/Femelle - 1"1/4
- 2 pièces -20 ° C à 180 °C - Corps INOX 316L - Siège PTFE - Passage Intégral - PN = 50
1"1/4 F/F 88 € En stock
28803 Vanne 1/4 de tour- Corps INOX 316L - Femelle/Femelle - 2"
- 2 pièces -20 ° C à 180 °C - Corps INOX 316L - Siège PTFE - Passage Intégral - PN = 40
2" F/F 168 € En stock

Vanne 1/4 de tour - Inox 316 - Femelle/Femelle - 180°C

Utilisation : Industries chimiques et pharmaceutiques, industries pétrochimiques, installations hydrauliques, air comprimé.
PS : voir détails par série.
TS : -20 °C à +180 °C.
Passage intégral.
Construction :
- Sphère Acier Inox ASTM A351 CF8M.
- Presse-étoupe PTFE
- Axe inéjectable : Acier Inox ASTM A182 F316.
- Siège PTFE.
- Poignée cadenassable. Corps, axe et sphère : inox 316 - Poignée + écrou : inox 304

Vanne 1/4 de tour - Inox 316 - Femelle/Femelle - 180°C
Réf. Désignation Diamètre E/S Quantite Prix H.T. Dispo
30739 Vanne 1/4 de tour - Corps INOX 316L - Femelle/Femelle - 1/4"
- 2 pièces -20 ° C à 180 °C - Corps INOX 316L - Siège PTFE - Passage Intégral - PN = 25
1/4" F/F 25 € En stock
30626 Vanne 1/4 de tour - Corps INOX 316L - Femelle/Femelle - 3/8"
- 2 pièces -20 ° C à 180 °C - Corps INOX 316L - Siège PTFE - Passage Intégral - PN = 25
3/8" F/F 25 € En stock
26533 Vanne 1/4 de tour - Corps INOX 316L - Femelle/Femelle - 1/2"
- 2 pièces -20 ° C à 180 °C - Corps INOX 316L - Siège PTFE - Passage Intégral - PN = 25
1/2" F/F 32 € En stock
26534 Vanne 1/4 de tour - Corps INOX 316L - Femelle/Femelle - 3/4"
- 2 pièces -20 ° C à 180 °C - Corps INOX 316L - Siège PTFE - Passage Intégral - PN = 25
3/4" F/F 45 € En stock
26779 Vanne 1/4 de tour - Corps INOX 316L - Femelle/Femelle - 1"
- 2 pièces -20 ° C à 180 °C - Corps INOX 316L - Siège PTFE - Passage Intégral - PN = 25
1" F/F 49 € En stock
Vanne 1/4 de tour - Corps INOX 316L - Femelle/Femelle - 1" 1/4
- 2 pièces -20 ° C à 180 °C - Corps INOX 316L - Siège PTFE - Passage Intégral - PN = 25
1" 1/4 F/F 76 € 5/6 jours
Vanne 1/4 de tour - Corps INOX 316L - Femelle/Femelle - 1" 1/2
- 2 pièces -20 ° C à 180 °C - Corps INOX 316L - Siège PTFE - Passage Intégral - PN = 25
1" 1/2 F/F 115 € 5/6 jours
28722 Vanne 1/4 de tour - Corps INOX 316L - Femelle/Femelle - 2"
- 2 pièces -20 ° C à 180 °C - Corps INOX 316L - Siège PTFE - Passage Intégral - PN = 25
2" F/F 181 € 5/6 jours
Vanne 1/4 de tour - Corps INOX 316L - Femelle/Femelle - 2" 1/2
- 2 pièces -20 ° C à 180 °C - Corps INOX 316L - Siège PTFE - Passage Intégral - PN = 25
2" 1/2 F/F 395 € 5/6 jours
Vanne 1/4 de tour - Corps INOX 316L - Femelle/Femelle - 3"
- 2 pièces -20 ° C à 180 °C - Corps INOX 316L - Siège PTFE - Passage Intégral - PN = 25
3" F/F 564 € 5/6 jours
Vanne 1/4 de tour - Corps INOX 316L - Femelle/Femelle - 4"
- 2 pièces -20 ° C à 180 °C - Corps INOX 316L - Siège PTFE - Passage Intégral - PN = 25
4" F/F 695 € 5/6 jours

Vanne 1/4 de tour - Inox 316 - Male/Femelle - 180°C - gamme ECO

Utilisation : Produits chimiques, industries pétrochimiques, installations hydrauliques, de chauffage, distribution air, eau. Vanne à sphère - 2 pièces - Raccordement male/femelle - Filetage ISO 7-1
Passage intégral - PN64 - Inox AISI 316 (CF8M)
Corps, axe et sphère : Inox 316 - Poignée + écrou : Inox 304
- Sièges : PTFE - Presse-étoupe : PTFE
Température -10°C + 180°C
Poignée cadenassable

Vanne 1/4 de tour - Inox 316 - Male/Femelle - 180°C - gamme ECO
Réf. Désignation Diamètre E/S Quantite Prix H.T. Dispo
29261 Vanne 1/4 de tour - corps INOX 316L - Male/Femelle - 1/4"
- 2 pièces -20 ° C à 180 °C - Corps INOX 316L - Siège PTFE - Passage Intégral PN = 64
1/4" M/F 27 € En stock
29256 Vanne 1/4 de tour - Corps INOX 316L - Male/Femelle - 3/8"
- 2 pièces -20 ° C à 180 °C - Corps INOX 316L - Siège PTFE - Passage Intégral PN = 64
3/8" M/F 29 € En stock

Vanne 1/4 de tour - INOX 316 - Male/femelle 180°

A sphère - 2 pièces - PN64 - Passage intégral
Corps, axe et sphère : inox 316 (CF8M) - Poignée + écrou : inox 304
Sièges : PTFE - Presse-étoupe : PTFE - Température : -10°C à + 150 °C
Filetage : ISO 7-1 - Taraudé BSP - Poignée cadenassable
Conforme à la DESP 97/23/CE

Vanne 1/4 de tour - INOX 316 - Male/femelle 180°
Réf. Désignation Diamètre E/S Quantite Prix H.T. Dispo
28234 Vanne 1/4 de tour - 1/4" Male / Femelle - INOX 1/4 " M/F 39 € En stock
28235 Vanne 1/4 de tour - 3/8" Male / Femelle - INOX 3/8 " M/F 42 € En stock
28236 Vanne 1/4 de tour - 1/2" (DN15) Male / Femelle - INOX 1/2 " M/F 45 € En stock
28237 Vanne 1/4 de tour - 3/4" (DN20) Male / Femelle - INOX 3/4 " M/F 63 € En stock
28238 Vanne 1/4 de tour - 1" (DN25) Male / Femelle - INOX 1 " M/F 84 € En stock
28239 Vanne 1/4 de tour - 1"1/4 (DN32) Male / Femelle - INOX 1 1/4 " M/F 113 € En stock
28240 Vanne 1/4 de tour - 1"1/2 (DN40) Male / Femelle - INOX 1 1/2 " M/F 152 € En stock
28241 Vanne 1/4 de tour - 2" (DN50) Male / Femelle - INOX 2 " M/F 221 € En stock

Vanne 1/4 de tour VAPEUR 200° - Inox 316 - Femelle/Femelle - 714

VANNE INOX 1/4 de tour - haute température et vapeur maxi 11 bars
1/4' Femelle/ Femelle - 2 Pièces - ATEX - INOX- De -20 °C à + 200°C
Poignée + écrou : Inox 304
Pression maxi admissible : 63 bars

Vanne 1/4 de tour VAPEUR 200° - Inox 316 - Femelle/Femelle - 714
Réf. Désignation Diamètre E/S Quantite Prix H.T. Dispo
30992 Vanne 200° - 1/4 de tour - Corps INOX 316L - Femelle/Femelle - 1/4" - - Diamètre intérieur 8
Femelle/ Femelle 2 Pièces INOX
-20 °C à + 200°C - Vapeur 11 bars maxi
1/4 " F/F 52 € 5/6 jours
33328 Vanne 200° - 1/4 de tour - Corps INOX 316L - Femelle/Femelle - 3/8" - - Diamètre intérieur 10
Femelle/ Femelle 2 Pièces INOX
-20 °C à + 200°C - Vapeur 11 bars maxi
1/4 " F/F 52 € 5/6 jours
30993 Vanne 200° - 1/4 de tour - Corps INOX 316L - Femelle/Femelle - 1/2" - - Diamètre intérieur 15
Femelle/ Femelle 2 Pièces INOX
-20 °C à + 200°C - Vapeur 11 bars maxi
1/2 " F/F 56 € 5/6 jours
32157 Vanne 200° - 1/4 de tour - Corps INOX 316L - Femelle/Femelle - 3/4" - - Diamètre intérieur 20
Femelle/ Femelle 2 Pièces INOX
-20 °C à + 200°C - Vapeur 11 bars maxi
3/4 " F/F 74 € 5/6 jours
32221 Vanne 200° - 1/4 de tour - Corps INOX 316L - Femelle/Femelle - 1" - - Diamètre intérieur 25
Femelle/ Femelle 2 Pièces INOX
-20 °C à + 200°C - Vapeur 11 bars maxi
1 " F/F 106 € 5/6 jours
32877 Vanne 200° - 1/4 de tour - Corps INOX 316L - Femelle/Femelle - 1" 1/4 - - Diamètre intérieur 32
Femelle/ Femelle 2 Pièces INOX
-20 °C à + 200°C - Vapeur 11 bars maxi
1 1/4 " F/F 177 € 5/6 jours
32878 Vanne 200° - 1/4 de tour - Corps INOX 316L - Femelle/Femelle - 1" 1/2 - - Diamètre intérieur 40
Femelle/ Femelle 2 Pièces INOX
-20 °C à + 200°C - Vapeur 11 bars maxi
1 1/2 " F/F 258 € 5/6 jours

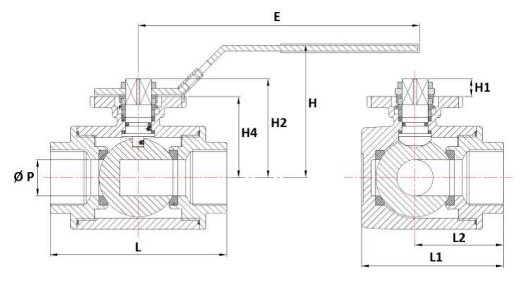
Vanne 3 voies L - Inox 316 - Femelle/Femelle/Femelle - 180°C

Utilisation : Produits chimiques, industries pétrochimiques, installations hydrauliques, de chauffage, distribution air, eau.
PS : 40 bars - TS : -25 °C à +180 °C.
Construction :- Passage réduit - Corps Acier Inox ASTM A351 CF8M - Presse-étoupe PTFE + Joint torique FKM.
Sphère et axe inéjectable Acier Inox ASTM A182 F316.
- Sièges PTFE chargés 15 % verre - Poignée cadenassable rouge Inox 304 - Lumière en L - Platine ISO 5211.

Vanne 3 voies L - Inox 316 - Femelle/Femelle/Femelle - 180°C
Réf. Désignation Diamètre E/S Quantite Dispo
37935 Vanne 3 voies en L - Corps INOX 316L - Femelle/Femelle/Femelle - 1/4"
- 2 pièces -25 ° C à 180 °C - Corps INOX 316L - Siège PTFE - Passage Intégral - PN = 25 - sorties en L = commun vers 1 ou 2
1/4" F/F/F 5/6 jours
37934 Vanne 3 voies en L - Corps INOX 316L - Femelle/Femelle/Femelle - 3/8"
- 2 pièces -25 ° C à 180 °C - Corps INOX 316L - Siège PTFE - Passage Intégral - PN = 25 - sorties en L = commun vers 1 ou 2
3/8" F/F/F 5/6 jours
33286 Vanne 3 voies en L - Corps INOX 316L - Femelle/Femelle/Femelle - 1/2"
- 2 pièces -25 ° C à 180 °C - Corps INOX 316L - Siège PTFE - Passage Intégral - PN = 25 - sorties en L = commun vers 1 ou 2
1/2" F/F/F 5/6 jours
31847 Vanne 3 voies en L - Corps INOX 316L - Femelle/Femelle/Femelle - 3/4"
- 2 pièces -25 ° C à 180 °C - Corps INOX 316L - Siège PTFE - Passage Intégral - PN = 25 - sorties en L = commun vers 1 ou 2
3/4" F/F/F En stock
30257 Vanne 3 voies en L - Corps INOX 316L - Femelle/Femelle/Femelle - 1"
- 2 pièces -25 ° C à 180 °C - Corps INOX 316L - Siège PTFE - Passage Intégral - PN = 25 - sorties en L = commun vers 1 ou 2
1" F/F/F En stock
35849 Vanne 3 voies en L - Corps INOX 316L - Femelle/Femelle/Femelle - 1" 1/4
- 2 pièces -25 ° C à 180 °C - Corps INOX 316L - Siège PTFE - Passage Intégral - PN = 25 - sorties en L = commun vers 1 ou 2
1" 1/4 F/F/F En stock
30635 Vanne 3 voies en L - Corps INOX 316L - Femelle/Femelle/Femelle - 1" 1/2
- 2 pièces -25 ° C à 180 °C - Corps INOX 316L - Siège PTFE - Passage Intégral - PN = 25 - sorties en L = commun vers 1 ou 2
1" 1/2 F/F/F En stock
31962 Vanne 3 voies en L - Corps INOX 316L - Femelle/Femelle/Femelle - 2"
- 2 pièces -25 ° C à 180 °C - Corps INOX 316L - Siège PTFE - Passage Intégral - PN = 25 - sorties en L = commun vers 1 ou 2
2" F/F/F 5/6 jours

Vanne 3 voies T - Inox 316 - Femelle/Femelle/Femelle - 180°C

Utilisation : Produits chimiques, industries pétrochimiques, installations hydrauliques, de chauffage, distribution air, eau.
PS : 40 bars - TS : -25 °C à +180 °C.
Construction :- Passage réduit - Corps Acier Inox ASTM A351 CF8M - Presse-étoupe PTFE + Joint torique FKM.
Sphère et axe inéjectable Acier Inox ASTM A182 F316.
- Sièges PTFE chargés 15 % verre - Poignée cadenassable rouge Inox 304 - Lumière en T - Platine ISO 5211.

Vanne 3 voies T - Inox 316 - Femelle/Femelle/Femelle - 180°C
Réf. Désignation Diamètre E/S Quantite Dispo
37041 Vanne 3 voies en T - Corps INOX 316L - Femelle/Femelle/Femelle - 1/4"
- 2 pièces -25 ° C à 180 °C - Corps INOX 316L - Siège PTFE - Passage Intégral - PN = 25 - sorties en T = commun vers 1 ou 2 ou les 2
1/4" F/F/F 5/6 jours
37931 Vanne 3 voies en T - Corps INOX 316L - Femelle/Femelle/Femelle - 3/8"
- 2 pièces -25 ° C à 180 °C - Corps INOX 316L - Siège PTFE - Passage Intégral - PN = 25 - sorties en T = commun vers 1 ou 2 ou les 2
3/8" F/F/F 5/6 jours
37930 Vanne 3 voies en T - Corps INOX 316L - Femelle/Femelle/Femelle - 1/2"
- 2 pièces -25 ° C à 180 °C - Corps INOX 316L - Siège PTFE - Passage Intégral - PN = 25 - sorties en T = commun vers 1 ou 2 ou les 2
1/2" F/F/F 5/6 jours
37058 Vanne 3 voies en T - Corps INOX 316L - Femelle/Femelle/Femelle - 3/4"
- 2 pièces -25 ° C à 180 °C - Corps INOX 316L - Siège PTFE - Passage Intégral - PN = 25 - sorties en T = commun vers 1 ou 2 ou les 2
3/4" F/F/F En stock
37059 Vanne 3 voies en T - Corps INOX 316L - Femelle/Femelle/Femelle - 1"
- 2 pièces -25 ° C à 180 °C - Corps INOX 316L - Siège PTFE - Passage Intégral - PN = 25 - sorties en T = commun vers 1 ou 2 ou les 2
1" F/F/F En stock
37932 Vanne 3 voies en T - Corps INOX 316L - Femelle/Femelle/Femelle - 1" 1/4
- 2 pièces -25 ° C à 180 °C - Corps INOX 316L - Siège PTFE - Passage Intégral - PN = 25 - sorties en T = commun vers 1 ou 2 ou les 2
1" 1/4 F/F/F En stock
37929 Vanne 3 voies en T - Corps INOX 316L - Femelle/Femelle/Femelle - 1" 1/2
- 2 pièces -25 ° C à 180 °C - Corps INOX 316L - Siège PTFE - Passage Intégral - PN = 25 - sorties en T = commun vers 1 ou 2 ou les 2
1" 1/2 F/F/F En stock
37933 Vanne 3 voies en T - Corps INOX 316L - Femelle/Femelle/Femelle - 2"
- 2 pièces -25 ° C à 180 °C - Corps INOX 316L - Siège PTFE - Passage Intégral - PN = 25 - sorties en T = commun vers 1 ou 2 ou les 2
2" F/F/F 5/6 jours

VANNE INOX OPERCULE

VANNE INOX OPERCULE
Réf. Désignation Diamètre E/S Quantite Dispo
32018 Vanne INOX opercule - 1/2"
PS: 16 bars TS:-20 à + 180°C - Opercule
- F/F - Passage intégral - INOX A351
Pour liquides et gaz du groupe 1
1/2 " F/F 5/6 jours
38276 Vanne INOX opercule - 3/4"
PS: 16 bars TS:-20 à + 180°C - Opercule
- F/F - Passage intégral - INOX A351
Pour liquides et gaz du groupe 1
3/4 " F/F 5/6 jours
32125 Vanne INOX opercule - 1"
PS: 16 bars TS:-20 à + 180°C - Opercule
- F/F - Passage intégral - INOX A351
Pour liquides et gaz du groupe 1
1 " F/F 5/6 jours
38267 Vanne INOX opercule - 1"1/4
PS: 16 bars TS:-20 à + 180°C - Opercule
- F/F - Passage intégral - INOX A351
Pour liquides et gaz du groupe 1
1 1/4 " F/F 5/6 jours
38277 Vanne INOX opercule - 1"1/2
PS: 16 bars TS:-20 à + 180°C - Opercule
- F/F - Passage intégral - INOX A351
Pour liquides et gaz du groupe 1
1 1/2 " F/F 5/6 jours
38278 Vanne INOX opercule - 2"
PS: 16 bars TS:-20 à + 180°C - Opercule
- F/F - Passage intégral - INOX A351
Pour liquides et gaz du groupe 1
2 " F/F 5/6 jours

Robinet à pointeau Inox - PN400 - Taraudé BSP

Monobloc - pression maxi 400 bars
Passage réduit
Matière : INOX ASTM A351 CF8M
Température : -20°C à + 180 °C
Filetage : Taraudé BSP
Conforme à la DESP 97/23/CE - ATEX Groupe II Catégorie 2 G/2D Zone 1 & 21 Zone 2 &22

Robinet à pointeau Inox - PN400 - Taraudé BSP
Réf. Désignation Diamètre E/S Quantite Prix H.T. Dispo
22962 Vanne 1/4' INOX A POINTEAU DN 8 1/4 " F/F 81 € En stock
24447 Vanne 3/8' INOX A POINTEAU DN 10 3/8 " F/F 91 € En stock
22963 Vanne 1/2' INOX A POINTEAU DN 15 1/2 " F/F 118 € En stock
28759 Vanne 3/4' INOX A POINTEAU DN 20 3/4 " F/F 168 € En stock
28250 Vanne 1' INOX A POINTEAU DN 25 1 " F/F 199 € En stock

Vanne - Inox - Male/Femelle - Douce et rapide

Fluides courants : eau, huile… Ouverture en douceur - passage lisse - température maxi 90°C

Vanne - Inox - Male/Femelle - Douce et rapide
Réf. Désignation Diamètre E/S Quantite Prix H.T. Dispo
30831 Vanne INOX DOUCE et RAPIDE - Corps INOX 304 - M/F - 1/2"- DN 15
Passage lisse - Temp. 0 à 90 °C - pression maxi 12 B - INOX 304 - Filetée M/F 1/2"- DN15
1/2" M/F 116 € En stock
30833 Vanne INOX DOUCE et RAPIDE - Corps INOX 304 - M/F - 3/4"- DN 20
Passage lisse - Temp. 0 à 90 °C - pression maxi 12 B - INOX 304 - Filetée M/F 3/4" - DN20
3/4" M/F 116 € En stock
30834 Vanne INOX DOUCE et RAPIDE - Corps INOX 304 - M/F - 1" - DN 25
Passage lisse - Temp. 0 à 90 °C - pression maxi 12 B - INOX 304 - Filetée M/F 1" - DN25
1" M/F 171 € En stock

Vanne INOX à clapet LIQUIDES EPAIS

Spécial liquide épais : Miel, Savon…

Vanne INOX à clapet LIQUIDES EPAIS
Réf. Désignation Diamètre Quantite Prix H.T. Dispo
32981 Vanne à clapet pour liquides épais INOX 1" - DN 25
Vanne INOX à visser BSP male 1" - Avec joint
Pour miel et liquides épais.
1" 59 € 4 en stock
31985 Vanne à clapet pour liquides épais INOX 1,5" - DN 40
Vanne INOX à visser BSP male 1,5" - Avec joint
Pour miel et liquides épais.
1" 1/2 109 € 5 en stock

VANNES INOX PAPILLON SMS

SMS, Swedish Manufacturing Standard, standard suédois principalement utilisé en France, Royaume-Uni, Espagne et Maghreb.
Agro alimentaire - laiterie - Brasserie - Très répandue

VANNES INOX PAPILLON SMS
Réf. Désignation Quantite Prix H.T. Dispo
36305 Vanne papillon SMS mâles / mâles DN25 INOX 304
Livrée sans poignée
138.57 € 10 jours
36306 Vanne papillon SMS mâles / mâles DN38 INOX 304
Livrée sans poignée
166.25 € 10 jours
36307 Vanne papillon SMS mâles / mâles DN51 INOX 304
Livrée sans poignée
217.14 € 10 jours
36308 Vanne papillon SMS mâles / mâles DN63 INOX 304
Livrée sans poignée
243.22 € 10 jours
36309 Vanne papillon SMS mâles / mâles DN76 INOX 304
Livrée sans poignée
297.33 € 10 jours
36310 Vanne papillon SMS mâles / mâles DN104 INOX 304
Livrée sans poignée
347.80 € 10 jours
36311 Vanne papillon SMS mâles / mâles DN25 INOX 316L
Livrée sans poignée
171.08 € 10 jours
36312 Vanne papillon SMS mâles / mâles DN38 INOX 316L
Livrée sans poignée
219.91 € 10 jours
36313 Vanne papillon SMS mâles / mâles DN51 INOX 316L
Livrée sans poignée
247.73 € 10 jours
36314 Vanne papillon SMS mâles / mâles DN63 INOX 316L
Livrée sans poignée
370.86 € 10 jours
36315 Vanne papillon SMS mâles / mâles DN76 INOX 316L
Livrée sans poignée
441.84 € 10 jours
36316 Vanne papillon SMS mâles / mâles DN104 INOX 316L
Livrée sans poignée
669.97 € 10 jours

VANNES INOX PAPILLON DIN

DIN, Deutsche Institut für Normung, standard allemand qui est plutôt utilisé dans les pays germanophones et en Italie.
Agro alimentaire - laiterie - norme allemande - nécessite un dégagement arrière pour être démontable

VANNES INOX PAPILLON DIN
Réf. Désignation Quantite Prix H.T. Dispo
36317 Vanne papillon DIN mâles / mâles DN25 INOX 304
Livrée sans poignée
226.70 € 10 jours
36318 Vanne papillon DIN mâles / mâles DN32 INOX 304
Livrée sans poignée
178.50 € 10 jours
36319 Vanne papillon DIN mâles / mâles DN40 INOX 304
Livrée sans poignée
185.40 € 10 jours
36320 Vanne papillon DIN mâles / mâles DN50 INOX 304
Livrée sans poignée
357.81 € 10 jours
36321 Vanne papillon DIN mâles / mâles DN65 INOX 304
Livrée sans poignée
469.95 € 10 jours
36322 Vanne papillon DIN mâles / mâles DN80 INOX 304
Livrée sans poignée
587.27 € 10 jours
36323 Vanne papillon DIN mâles / mâles DN100 INOX 304
Livrée sans poignée
732.97 € 10 jours
36324 Vanne papillon DIN mâles / mâles DN25 INOX 316
Livrée sans poignée
195.58 € 10 jours
36325 Vanne papillon DIN mâles / mâles DN32 INOX 316
Livrée sans poignée
202.51 € 10 jours
36326 Vanne papillon DIN mâles / mâles DN40 INOX 316
Livrée sans poignée
215.11 € 10 jours
36327 Vanne papillon DIN mâles / mâles DN50 INOX 316
Livrée sans poignée
357.81 € 10 jours
36328 Vanne papillon DIN mâles / mâles DN65 INOX 316
Livrée sans poignée
469.95 € 10 jours
36329 Vanne papillon DIN mâles / mâles DN80 INOX 316
Livrée sans poignée
587.27 € 10 jours
36330 Vanne papillon DIN mâles / mâles DN100 INOX 316
Livrée sans poignée
916.20 € 10 jours

VANNES INOX PAPILLON MACON

MACON, qui est un standard français utilisé dans l’industrie vinicole, mais qui petit à petit est remplacé par du SMS

VANNES INOX PAPILLON MACON
Réf. Désignation Quantite Prix H.T. Dispo
36331 Vanne papillon MACON mâles / mâles DN40 INOX 304
Livrée sans poignée
222.81 € 10 jours
36332 Vanne papillon MACON mâles / mâles DN50 INOX 304
Livrée sans poignée
274.93 € 10 jours
36333 Vanne papillon MACON mâles / mâles DN60 INOX 304
Livrée sans poignée
259.14 € 10 jours
36334 Vanne papillon MACON mâles / mâles DN70 INOX 304
Livrée sans poignée
294.81 € 10 jours
36335 Vanne papillon MACON mâles / mâles DN80 INOX 304
Livrée sans poignée
715.54 € 10 jours
36336 Vanne papillon MACON mâles / mâles DN100 INOX 304
Livrée sans poignée
969.68 € 10 jours
36337 Vanne papillon MACON mâles / mâles DN40 INOX 316
Livrée sans poignée
262.15 € 10 jours
36338 Vanne papillon MACON mâles / mâles DN50 INOX 316
Livrée sans poignée
245.07 € 10 jours
36339 Vanne papillon MACON mâles / mâles DN60 INOX 316
Livrée sans poignée
391.34 € 10 jours
36340 Vanne papillon MACON mâles / mâles DN70 INOX 316
Livrée sans poignée
437.40 € 10 jours
36341 Vanne papillon MACON mâles / mâles DN80 INOX 316
Livrée sans poignée
715.54 € 10 jours
36342 Vanne papillon MACON mâles / mâles DN100 INOX 316
Livrée sans poignée
969.68 € 10 jours

VANNES INOX PAPILLON CLAMP

Le CLAMP, qui est un standard utilisé lorsque la ligne de fabrication doit être souvent démontée.
Pharmaceutique, Agro alimentaire ( La + hygiénique )

VANNES INOX PAPILLON CLAMP
Réf. Désignation Quantite Prix H.T. Dispo
36343 Vanne papillon CLAMP DN25 INOX 316L
Livrée sans poignée
300.48 € 10 jours
36344 Vanne papillon CLAMP DN38 INOX 316L
Livrée sans poignée
302.37 € 10 jours
36345 Vanne papillon CLAMP DN51 INOX 316L
Livrée sans poignée
309.33 € 10 jours
36346 Vanne papillon CLAMP DN63 INOX 316L
Livrée sans poignée
320.29 € 10 jours
36347 Vanne papillon CLAMP DN76 INOX 316L
Livrée sans poignée
528.71 € 10 jours
36348 Vanne papillon CLAMP DN104 INOX 316L
Livrée sans poignée
901.53 € 10 jours

Poignée vannes Papillon

Poignées / manettes à ajouter sur les vannes type papillon ( SMS, DIN, MACON, CLAMP )

Poignée vannes Papillon
Réf. Désignation Quantite Prix H.T. Dispo
36349 Poignée pour vanne papillon plastique
Pour SMS / DIN / MACON / CLAMP
32.38 € 10 jours
36350 Poignée pour vanne papillon INOX 304
Pour SMS / DIN / MACON / CLAMP
75.81 € 10 jours
36351 Poignée pour vanne papillon plastique DN85/104 sauf MACON
Pour SMS / DIN / CLAMP
28.46 € 10 jours
36352 Poignée pour vanne papillon INOX 304 DN85/104 sauf MACON
Pour SMS / DIN / CLAMP
109.94 € 10 jours
36353 Poignée pour vanne papillon MACON DN80/100
Pour MACON
57.58 € 10 jours
36354 Poignée pour vanne papillon MACON DN80/100
Pour MACON
79.70 € 10 jours

VANNE LAITON Oxygène, argon, azote

VANNES LAITON DEGRAISSE OXYGENE
DN 1/4″ à 2″ - Ne convient pas pour l’acétylène
Femelle – Femelle ou mâle-mâle BSP
Température Mini : – 20°C / Température Maxi : + 120°C
Pression Maxi : 40 Bars ( jusqu’au DN 1“ )
Caractéristiques : Axe inéjectable / Presse étoupe PTFE + joint torique EPDM
Passage intégral / Dégraissage oxygène / Raccordement taraudé cylindrique BSP

VANNE LAITON Oxygène, argon, azote
Réf. Désignation Diamètre E/S Quantite Prix H.T. Dispo
33187 Vanne Oxygène LAITON 1/4" FF DN 8 - DEGRAISSE M.PAP 1/4" F/F 29 € 10 jours
33188 Vanne Oxygène LAITON 3/8" FF DN 10 - DEGRAISSE M.PAP 3/8" F/F 33 € 10 jours
33189 Vanne Oxygène LAITON 1/2" FF DN 15 DEGRAISSE M.PAP 1/2" F/F 35 € 10 jours
33190 Vanne Oxygène LAITON 3/4" FF DN 20 DEGRAISSE M.PAP 3/4" F/F 51 € 10 jours
33191 Vanne Oxygène LAITON 1" FF DN 25 DEGRAISSE M.PAP 1" F/F 65 € 10 jours

VANNE INOX Oxygène

VANNES INOX DEGRAISSE OXYGENE
DN 1/4″ à 2″ - Femelle BSP
Température mini : – 20°C / Température maxi : + 200°C
Pression Maxi 63 Bars
Caractéristiques : Pour oxygène
Sièges PTFE chargés verre - bille pleine
Axe inéjectable / Passage intégral / Poignée cadenassable
Atex / Double système antistatique
Modèle 2 pièces
Dégraissé pour oxygène

VANNE INOX Oxygène
Réf. Désignation Diamètre E/S Quantite Prix H.T. Dispo
33192 Vanne Oxygène INOX 1/4" FF DN 8 DEGRAISSE 1/4" F/F 48 € 10 jours
33193 Vanne Oxygène INOX 3/8" FF DEGRAISSE 3/8" F/F 49 € 10 jours
33165 Vanne Oxygène INOX 1/2" FF DEGRAISSE 1/2" F/F 51 € 10 jours
33166 Vanne Oxygène INOX 3/4" FF DEGRAISSE 3/4" F/F 60 € 10 jours
33194 Vanne Oxygène INOX 1" FF DEGRAISSE 1" F/F 90 € 10 jours
33195 Vanne Oxygène INOX 1"1/4 FF DEGRAISSE 1"1/4 F/F 154 € 10 jours
33196 Vanne Oxygène INOX 1"1/2 FF DEGRAISSE 1"1/2 F/F 154 € 10 jours
33197 Vanne Oxygène INOX 2" FF DEGRAISSE 2" F/F 226 € 10 jours

ROBINET GAZ Tournant

Vanne à sphère de sectionnement pour les réseaux de gaz naturel
Vanne à passage intégral, bille pleine, axe inéjectable et étanchéité à l’axe par joint torique.
Modèle lourd, pour tube acier.
Dimensions : DN 1/2″ à 2″ / Raccordement : Femelle / Femelle BSP
Température Mini : – 5°C / Température Maxi : + 60°C
Pression Maxi : 5 Bars
Caractéristiques : Axe inéjectable, Double joint torique NBR, Passage intégral
Matière : Laiton CW 617N

ROBINET GAZ Tournant
Réf. Désignation Diamètre E/S Quantite Prix H.T. Dispo
31736 Vanne d'arrêt GAZ 1/2"
Homologation EN331
PS 5 bars - -5°C à + 60°C
1/2" F/F 21 € En stock
36772 Vanne d'arrêt GAZ 3/4"
Homologation EN331
PS 5 bars - -5°C à + 60°C
1/2" F/F 27 € En stock

MINI VANNES

Vanne INOX mini pour encombrement réduit
Dimensions : DN1/8″ à DN1″
Raccordement : Femelle ou Mâle BSP
Température Mini : -20°C / Température Maxi : +180°C
Pression Maxi : 63 Bars
Caractéristiques : Axe inéjectable, Construction monobloc, Passage réduit, Double joints toriques FKM à l’axe
Matière : Inox ASTM A351 CF8M

MINI VANNES
Réf. Désignation Diamètre E/S Quantite Prix H.T. Dispo
33214 Mini vanne INOX 1/8" FF - DN 6 1/8" F/F 37 € 10 jours
33198 Mini vanne INOX 1/4" FF - DN 8 1/4" F/F 38 € 10 jours
33199 Mini vanne INOX 3/8" FF - DN 10 3/8" F/F 39 € 10 jours
32892 Mini vanne INOX 1/2" FF - DN 15 1/2" F/F 40 € 10 jours
33200 Mini vanne INOX 3/4" FF - DN 20 3/4" F/F 44 € 10 jours
33201 Mini vanne INOX 1" FF - DN 25 1" F/F 53 € 10 jours
33202 Mini vanne INOX 1/8" MF - DN 6 1/8" M/F 37 € 10 jours
33203 Mini vanne INOX 1/4" MF - DN 8 1/4" M/F 38 € 10 jours
33204 Mini vanne INOX 3/8" MF - DN 10 3/8" M/F 39 € 10 jours
33205 Mini vanne INOX 1/2" MF - DN 15 1/2" M/F 40 € 10 jours
33206 Mini vanne INOX 3/4" MF - DN 20 3/4" M/F 44 € 10 jours
33207 Mini vanne INOX 1" MF - DN 25 1" M/F 49 € 10 jours
33208 Mini vanne INOX 1/8" MM - DN 6 1/8" M/M 38 € 10 jours
33209 Mini vanne INOX 1/4" MM - DN 8 1/4" M/M 39 € 10 jours
33210 Mini vanne INOX 3/8" MM - DN 10 3/8" M/M 40 € 10 jours
33211 Mini vanne INOX 1/2" MM - DN 15 1/2" M/M 42 € 10 jours
33212 Mini vanne INOX 3/4" MM - DN 20 3/4" M/M 57 € 10 jours
33213 Mini vanne INOX 1" MM - DN 25 1" M/M 75 € 10 jours

VANNES alimentaires ECO

VANNES alimentaires – Femelle/Femelle Vanne pour vidage de cuve alimentaire
Extérieur acier chromé - intérieur laiton
Diamètre entrée / sortie : 38 mm.

VANNES alimentaires ECO
Réf. Désignation Diamètre E/S Quantite Prix H.T. Dispo
32299 VANNE vidage cuve 1.5" - DN 40
Grand débit pour vidage cuves, marmites. Acier chromé et intérieur laiton - coudée
1"1/2 F 119 € En stock

Veuillez compléter vos informations

Les champs indiqués par une * sont obligatoires
Statut *
Informations
Adresse de facturation
Adresse de livraison
Numéro client AURA
Conditions Générales de Ventes
Confidentialité des données clients
Cliquez sur votre choix